CATIA GENERATIVE DRAFTING

8 sati
05. september 2018 po
CATIA GENERATIVE DRAFTING
Solfins doo, Miroslav Bobić
| Še nobenega komentarja
Odoo image and text block

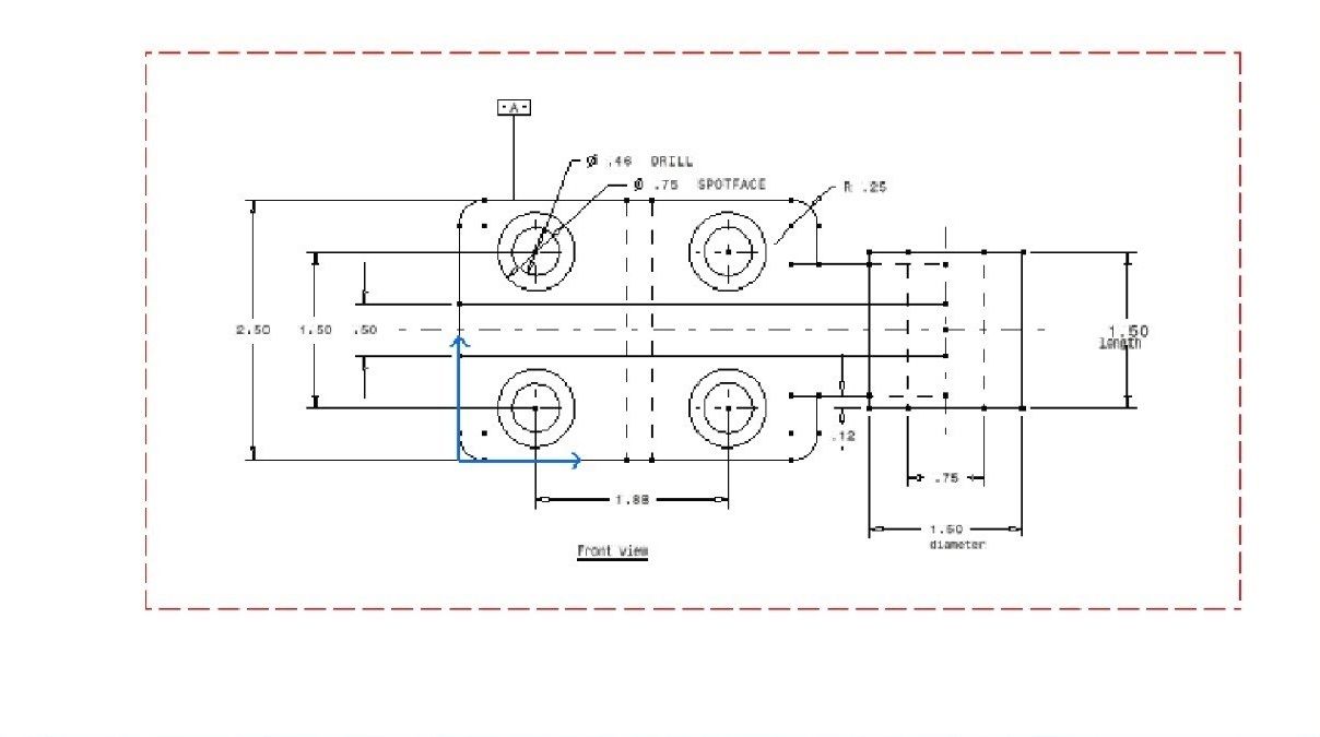
CATIA obuka - Generative Drafting Fundamentals

Kurs pokriva CATIA V5 Drafting workbench za kreiranje crteža, kreiranje crteža na osnovu 3D modela kreiranjem projekcija...


Prijavi se >> 

plan i program obuke

Trajanje kursa:

8 sati

Jezik kursa:

srpski

Materijal za kurs:

na engleskom

Nivo kursa:

osnovni

Namenjen:

Crtačima

Opis:

Kurs pokriva CATIA V5 Drafting workbench za kreiranje crteža, kreiranje crteža na osnovu 3D modela kreiranjem projekcija i preseka, i dodavanje osnovnih dimenzija.

Ciljevi:

Po završetku ovog kursa bićete osposobljeni da:
- Kreirate jednostavne projekcije i preseke 3D delova
- Pozicionirate poglede na drawing sheet
- Dodate dimenzije na poglede
- Finalizirate drawing sheet dodavanjem title bloka

Preduslovi:

Polaznici ovog kursa treba da budu upoznati sa osnovama CATIA V5

Dostupan online:

CLS je eLearning portal koji se može kupiti kao dodatak na Solfins kurseve. Sadrži dodatni interaktivni materijal i pristup resursima za obuku sa bilo koje lokacije u bilo koje vreme u trajanju od godinu dana



 
 

Kako da počnete sa obukom?

Prouči materijal

3D Akademija 

Pre nego što odabereš kurs, sagledaj širu sliku o tome da li želiš da postaneš student 3D Akademije

Vidi listu svih obuka

lista obuka

Na jednoj listi svi naši pojedinačni kursevi

Treba ti posao

uspešne firme u srbiji

Vidi kome su potrebne veštine i znanja koja ćete steći u Solfins 3D Akademiji

Cene kurseva

zatraži cenu

Dovoljno ste se informisali i sada vas zanima cena?

CATIA GENERATIVE DRAFTING
Solfins doo, Miroslav Bobić 05. september 2018
Share this post
Ključne besede
Arhiv
Prijava za komentiranje